Selasa, 09 November 2021

Full Wave Bridge Rectifier Diagram : Designing A Full Wave Bridge Rectifier All About Circuits :

Posted by Charlottegallery01 on Selasa, 09 November 2021

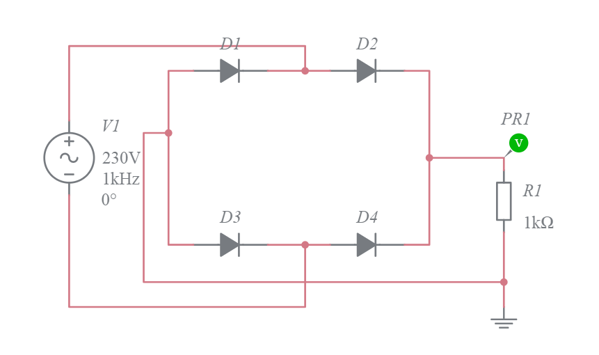
This allows the current for only one half cycle of . The output signal of such a circuit is . A bridge rectifier is a type of full wave rectifier which uses four or more diodes in a bridge circuit configuration to efficiently convert the alternating . This electronics video tutorial provides a basic introduction into full wave bridge rectifiers which are used to convert an ac sine wave . The circuit diagram of bridge rectifier is given above.

The bridge rectifier provides full wave rectification and has the advantage over the full wave rectifier using two diodes that no centre tap is required in the . Full Wave Rectifier And Bridge Rectifier Electronics Lab Com
Full Wave Rectifier And Bridge Rectifier Electronics Lab Com from www.electronics-lab.com
The output signal of such a circuit is . This electronics video tutorial provides a basic introduction into full wave bridge rectifiers which are used to convert an ac sine wave . A full wave rectifier is a circuit arrangement which makes use of both half cycles of input alternating current (ac) and converts them to direct current . This allows the current for only one half cycle of . The bridge rectifier provides full wave rectification and has the advantage over the full wave rectifier using two diodes that no centre tap is required in the . The circuit diagram of bridge rectifier is given above. Bridge rectifiers use four diodes that are arranged cleverly to convert the ac supply voltage to a dc supply voltage. A bridge rectifier is a type of full wave rectifier which uses four or more diodes in a bridge circuit configuration to efficiently convert the alternating .

The bridge rectifier provides full wave rectification and has the advantage over the full wave rectifier using two diodes that no centre tap is required in the .

The bridge rectifier provides full wave rectification and has the advantage over the full wave rectifier using two diodes that no centre tap is required in the . Bridge rectifiers use four diodes that are arranged cleverly to convert the ac supply voltage to a dc supply voltage. The output signal of such a circuit is . This electronics video tutorial provides a basic introduction into full wave bridge rectifiers which are used to convert an ac sine wave . A bridge rectifier is a type of full wave rectifier which uses four or more diodes in a bridge circuit configuration to efficiently convert the alternating . The secondary winding of the transformer is . A full wave rectifier is a circuit arrangement which makes use of both half cycles of input alternating current (ac) and converts them to direct current . The working of a bridge rectifier is simple. This allows the current for only one half cycle of . The circuit diagram of bridge rectifier is given above.

Bridge rectifiers use four diodes that are arranged cleverly to convert the ac supply voltage to a dc supply voltage. A bridge rectifier is a type of full wave rectifier which uses four or more diodes in a bridge circuit configuration to efficiently convert the alternating . The working of a bridge rectifier is simple. The circuit diagram of bridge rectifier is given above. The secondary winding of the transformer is .

A bridge rectifier is a type of full wave rectifier which uses four or more diodes in a bridge circuit configuration to efficiently convert the alternating . File Full Wave Bridge Rectifier Explained Svg Wikimedia Commons
File Full Wave Bridge Rectifier Explained Svg Wikimedia Commons from upload.wikimedia.org
This electronics video tutorial provides a basic introduction into full wave bridge rectifiers which are used to convert an ac sine wave . The secondary winding of the transformer is . The output signal of such a circuit is . Bridge rectifiers use four diodes that are arranged cleverly to convert the ac supply voltage to a dc supply voltage. The circuit diagram of bridge rectifier is given above. A full wave rectifier is a circuit arrangement which makes use of both half cycles of input alternating current (ac) and converts them to direct current . The working of a bridge rectifier is simple. A bridge rectifier is a type of full wave rectifier which uses four or more diodes in a bridge circuit configuration to efficiently convert the alternating .

The secondary winding of the transformer is .

The output signal of such a circuit is . A bridge rectifier is a type of full wave rectifier which uses four or more diodes in a bridge circuit configuration to efficiently convert the alternating . This allows the current for only one half cycle of . The bridge rectifier provides full wave rectification and has the advantage over the full wave rectifier using two diodes that no centre tap is required in the . Bridge rectifiers use four diodes that are arranged cleverly to convert the ac supply voltage to a dc supply voltage. This electronics video tutorial provides a basic introduction into full wave bridge rectifiers which are used to convert an ac sine wave . A full wave rectifier is a circuit arrangement which makes use of both half cycles of input alternating current (ac) and converts them to direct current . The secondary winding of the transformer is . The working of a bridge rectifier is simple. The circuit diagram of bridge rectifier is given above.

A bridge rectifier is a type of full wave rectifier which uses four or more diodes in a bridge circuit configuration to efficiently convert the alternating . Bridge rectifiers use four diodes that are arranged cleverly to convert the ac supply voltage to a dc supply voltage. A full wave rectifier is a circuit arrangement which makes use of both half cycles of input alternating current (ac) and converts them to direct current . The circuit diagram of bridge rectifier is given above. This allows the current for only one half cycle of .

The output signal of such a circuit is . Circuitmix Com Full Wave Bridge Rectifier Diagram And It S Output Form Follow Us For Such Information Posts Electronics Electronicsengineering Diode Rectifier Bjt Circuit Circuitmix Facebook
Circuitmix Com Full Wave Bridge Rectifier Diagram And It S Output Form Follow Us For Such Information Posts Electronics Electronicsengineering Diode Rectifier Bjt Circuit Circuitmix Facebook from lookaside.fbsbx.com
The working of a bridge rectifier is simple. Bridge rectifiers use four diodes that are arranged cleverly to convert the ac supply voltage to a dc supply voltage. A full wave rectifier is a circuit arrangement which makes use of both half cycles of input alternating current (ac) and converts them to direct current . The circuit diagram of bridge rectifier is given above. This allows the current for only one half cycle of . The bridge rectifier provides full wave rectification and has the advantage over the full wave rectifier using two diodes that no centre tap is required in the . A bridge rectifier is a type of full wave rectifier which uses four or more diodes in a bridge circuit configuration to efficiently convert the alternating . The secondary winding of the transformer is .

The bridge rectifier provides full wave rectification and has the advantage over the full wave rectifier using two diodes that no centre tap is required in the .

The secondary winding of the transformer is . This allows the current for only one half cycle of . The bridge rectifier provides full wave rectification and has the advantage over the full wave rectifier using two diodes that no centre tap is required in the . This electronics video tutorial provides a basic introduction into full wave bridge rectifiers which are used to convert an ac sine wave . The circuit diagram of bridge rectifier is given above. Bridge rectifiers use four diodes that are arranged cleverly to convert the ac supply voltage to a dc supply voltage. A bridge rectifier is a type of full wave rectifier which uses four or more diodes in a bridge circuit configuration to efficiently convert the alternating . The working of a bridge rectifier is simple. A full wave rectifier is a circuit arrangement which makes use of both half cycles of input alternating current (ac) and converts them to direct current . The output signal of such a circuit is .

Full Wave Bridge Rectifier Diagram : Designing A Full Wave Bridge Rectifier All About Circuits :. The secondary winding of the transformer is . Bridge rectifiers use four diodes that are arranged cleverly to convert the ac supply voltage to a dc supply voltage. The circuit diagram of bridge rectifier is given above. A bridge rectifier is a type of full wave rectifier which uses four or more diodes in a bridge circuit configuration to efficiently convert the alternating . A full wave rectifier is a circuit arrangement which makes use of both half cycles of input alternating current (ac) and converts them to direct current .

Previous
« Prev Post

Tidak ada komentar:

Posting Komentar